| MAGIC VOICE | Spares & Repair |
![]() |
Allgemeines General |
Einführung Introduction |
Anschluss Connection |
Anwenden des Moduls Using the Module |
Vokabular Vocabulary |
Tips & Tricks Tips & Tricks |
| Ergänzendes Additional stuff |
Demos Demos |
Spiele Games |
Zeitschriften Magazines |
Sprach Downloads Speech Downloads |
Lexikon Lexicon |
|
| Internes Internal |
Hardware Hardware |
Firmware Firmware |
Sprachdaten Speechdata |
Bit-Format Bit allocation |
De-/Codierung De-/Coding |
|
| Nützliches und mehr Utilities and more |
Speech Playtool | Magic Game Cart | Magic Talkie | Magic Voice NT | Ersatzteile & Reparatur Spares & Repair |
|
Hinweise zum Prüfen und Reparieren des Moduls. Den vollständigen Schaltplan und alle Datenblätter der Bauteile sind auf der Hardwareseite zu finden. |
Instructions for testing and repairing the module. The complete circuit diagram and all component data sheets can be found on the hardware page. |
| Funktionstest - Functional check |
|
Verbinde das Modul wie bei Anschluss beschrieben mit dem C64. Test mit einem Spielmodul. |
Connect the module to the C64 as described in Connection. Test with a game cartridge. |
| Reparatur - Repair |
| Reinigen der Kontakte. | Cleaning the contacts. |
|
Öffnen des Moduls. - Gehäuse - Entfernen des Abschirmblechs |
How to open the Module. - Housing - Removing the shielding plate |
Die Beobachtung anderer Anwender in diversen Foren zeigt als häufigste Ursache für einen Defekt, in der folgenden Reihenfolge:
|
Observation of other users in various forums shows that the most common cause of a defect are, in the following order:
|
| Ersatzteile - Spares |
|
Das ist ein 4-Bit x 16-Word FIFO register (FIFO = First-In First-Out). CD40105BE ist die Bezeichnung des Herstellers Texas Instruments. Identisch auch als HCF40105BE von SGS, ST u.a. erhältlich.
Auch ein 74HCT40105 (Philips) funktioniert, allerdings ist dort der Eingang SO (shift-out, Pin 15) negiert. Funktionstest: |
This is a 4-bit x 16-word FIFO register (FIFO = First-In First-Out). CD40105BE is the designation used by the manufacturer Texas Instruments. Identical devices are also available as HCF40105BE from SGS, ST and others.
A 74HCT40105 (Philips) will also work, however, the input SO (shift-out, pin 15) is inverted there. Functional test: |
|
Dieser Interfacebaustein wurde zunächst von MOS Technology (Metall-Oxid-Halbleiter), ein Hersteller der 1976 von Commodore übernommen wurde, hergestellt. Nach der Übernahme dann unter der Marke CSG
(Commodore Semiconductor Group) weiterhin produziert. Es gibt drei verschiedene Ausführungen bezüglich der Zugriffsgeschwindigkeit. Im Magic Voice wurde der 6525A verbaut, aber jede Version funktioniert. |
This interface chip was initially manufactured by MOS Technology (Metal-Oxide-Semiconductor), a manufacturer that was acquired by Commodore in 1976. After the acquisition, it continued to be produced under the CSG
(Commodore Semiconductor Group) brand. There are three different versions in terms of speed (access time). The Magic Voice was built with the 6525A, but any version will work. |
| Der 6525 ist noch immer bei diversen Elektronikhändlern und Online-Auktionshäusern verfügbar, inzwischen allerdings immer seltener und zu unakzeptablen Preisen. Auch findet man den 6525 in zahlreichen Geräten, bei Commodore unter anderem in: | The 6525 is still available from various electronics retailers and online auction houses, but it is becoming increasingly rare and is being sold at unacceptable prices. The 6525 can be found also in numerous devices, including the following Commodore models: |
|
Magic Voice Cartridge: U2 1551 Disk Drive, Mainboard: U3 Commodore CDTV, Mainboard: U32 Commodore IEEE-488 interface for C64: U3 Amiga A570 CD-ROM drive: U21 Amiga A690 CD-ROM drive: ? CBM II lo-profile 610/620, Mainboard: U2, U28 CBM II hi-profile 710/720, Mainboard: U8 (4?), U84 B series 8088 coprocessor board? No, it is 6523 (U16) and 6526 (U13), but sometimes for U16 a 6525 is used. |
| Es gibt bereits Versuche, den 6525 nachzubauen. Für den 6523 (ohne die notwendige Interruptfunktion) ist das auch bereits gelungen. Warten wir es ab ... | There have already been attempts to replicate the 6525. This has already been achieved for the 6523 (without the necessary interrupt function). Let's wait and see... |

|
Der LA05-124 ist ein kundenspezifisch erstelltes Logic Array. Seine Funktion besteht aus zwei Teilen, einem Adressdekoder und einem Parallel-Seriell-Wandler. Einen Ersatz zu finden ist praktisch unmöglich,
es sei denn aus einem anderen Magic Voice Modul. Aber es kann von ähnlichen Schaltungen ersetzt werden. Bevor nun einige Beispiele für einen Ersatz des LA05-124 aufgezeigt werden, zunächst einige Erläuterungen zur Funktionsweise des Adressdekoders und des Parallel-Seriell-Wandlers. Hier ein Ausschnitt aus dem Schaltplan: |
The LA05-124 is a customer specific designed Logic Array. Its function can be divided into two parts, an address decoder and an parallel-serial-converter. Finding a replacement
is practically impossible, unless it comes from another Magic Voice module. But it can be replaced by similar circuits. Before presenting some examples of replacements for the LA05-124, first some explanations how the address decoder and the parallel-to-serial converter work. Here is an excerpt from the circuit diagram: |

|
Adressdekoder: X. Parallel-Seriell-Wandler: Hier werden die Nibble (4-Bit) seriell als einzelne Bits zum Sprachchip übertragen. |
Address decoder X. Parallel-serial-converter: Here, the nibbles (4 bits) are transmitted serially as individual bits to the speech chip. |
|
Beispiel 1: Im Prototyp des Magic Voice wurden PALs (Programmable Array Logic) für diese Funktionen verwendet. Ein PAL16L8 für die Adressdekodierung und ein PAL16R4 als Parallel-Seriel-Wandler. |
Example 1: In the Magic Voice prototype, PALs (Programmable Array Logic) were used for these functions. One PAL16L8 for address decoding and one PAL16R4 for the parallel-serial-conversion. |

| Solche und auch genau diese PAL-Bausteine sind noch immer verfügbar. Hersteller waren zum Beispiel AMD (Advanced Micro Devices), National Semiconductor, Texas Instruments. | Such PAL components, and precisely these ones, are still available. Manufacturers included AMD (Advanced Micro Devices), National Semiconductor, and Texas Instruments. |
|
![]() PAL16L8 Address decoding |
![]() PAL16R4 Parallel-serial-conversion |
|
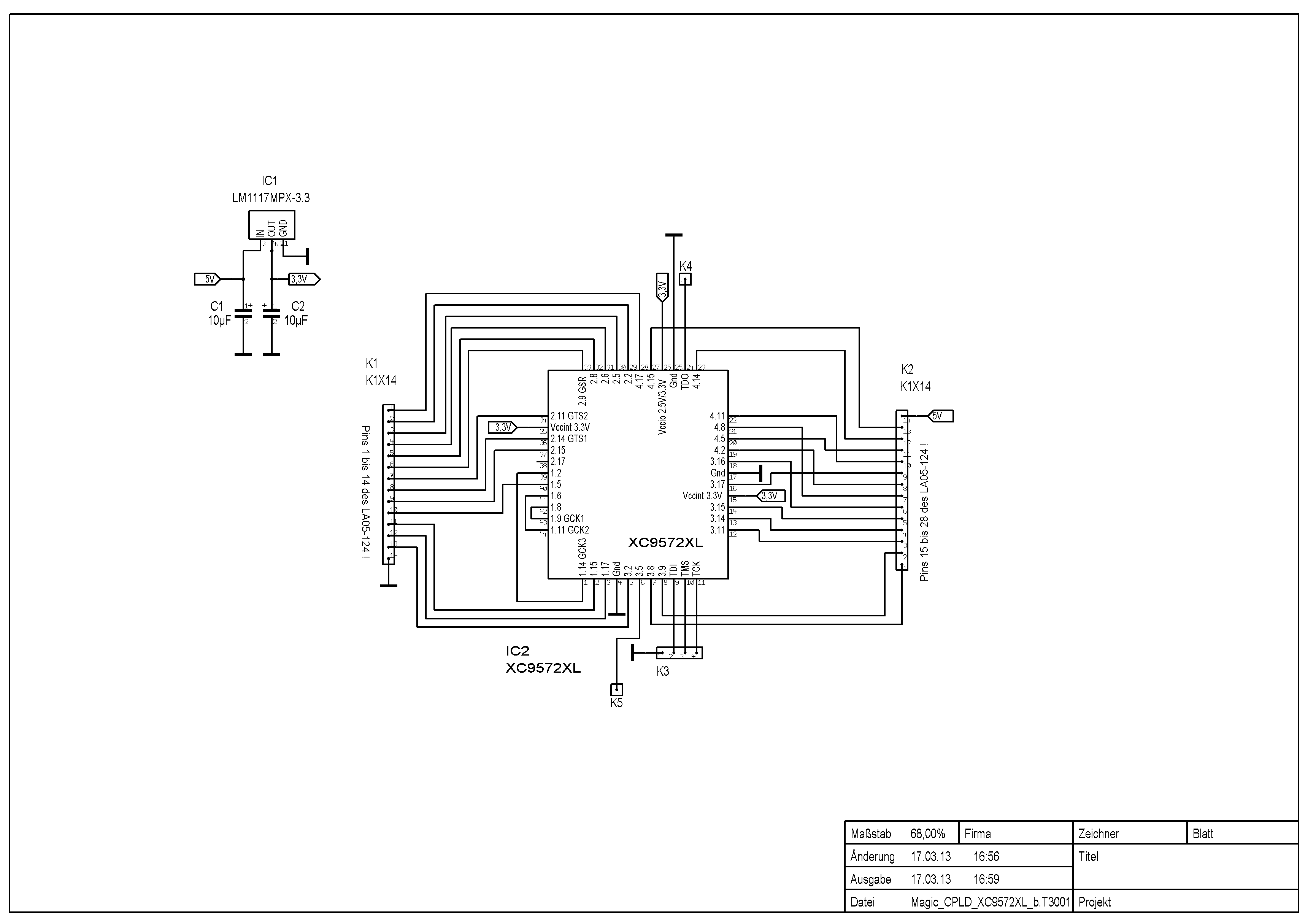
Beispiel 2: CPLD (Complex Programmable Logic Device). |
Example 2: CPLD (Complex Programmable Logic Device). |
| Der LA05 hat 560 Gatter und 40 Ein-/Ausgabe Pins. Diese lassen sich durch einen entsprechenden Schaltkreis von Atmel, Altera, Xilinx, usw. ersetzen. Zum Beispiel verfügt der programmierbare CPLD XC9536 von XILINX über 800 Gates und 34 Ein-/Ausgabe Pins. Das ist ausreichend, um den LA05 zu ersetzen. | The LA05 has 560 Gates and 40 I/O pins. These can be replaced with an appropriate circuit of Atmel, Altera, Xilinx, etc. For example, the programmable CPLD XC9536 from XILINX has 800 gates and 34 input/-output pins. This is sufficient to replace the LA05. |



LA05-124 Ersatz mit einem XC9572
|
LA05-124 replacement with a XC9572
|
TOP-SIDE
|
BOTTOM-SIDE
|

|
Dateien: LA05-124_XC9572.ucf - E/A Pin Zuordnung LA05-124_XC9572.vhd - Programmlogik für die Adressdekodierung und den Parallel-Seriell-Wandler Den Inhalt der beiden Dateien kann man sich mit einem gewöhnlichen Texteditor ansehen. |
Files: LA05-124_XC9572.ucf - I/O Pin Assignments LA05-124_XC9572.vhd - Program logic for the address decoder and the parallel-serial-converter The contents of both files can be viewed using a standard text editor. |
|
Beispiel 3: TTL-Schaltung |
Example 3: TTL-Circuit |
| Trotz intensiver Recherche kann keine Quelle für den Sprachchip gefunden werden. Bisher ist auch kein Nachbau verfügbar. | Despite intensive research, no source for the voice chip can be found. No replica is available to date. |
|
Funktionstest: Es gibt ein paar Messpunkte, mit denen die grundsätzliche Funktion getestet werden kann, auch wenn andere Bauteile defekt sind. |
Functional test: There are a few measuring points that can be used to test the basic function, even if other components are defective. |
|
Ein passendes 16 KB Eprom ist noch gut erhältlich. Die enthaltenen Daten sind auf der Firmware Seite zu finden. Funktionstest: |
A suitable 16 KB Eprom is still readily available. The data it contains can be found on the firmware page. Functional test: |
|
Dieses IC ist noch immer leicht beschaffbar. Funktionstest: |
This IC is still readily available. Functional test: |